欢迎来到东莞市新亿科电子科技有限公司正弦变频器网站!
正弦(SINEE)变频器

扫一扫微信咨询

全国咨询热线:

13922952859
当前位置: 主页 > 新闻动态 > 变频器知识
新闻动态News

联系热线

13922952859

微信号:TEL13922952859
手 机:13922952859
邮 箱:1846059898@qq.com
地 址:广东省东莞市长安镇长安振安中路332号

正弦EM100变频器 EM100-7R5-3B 三相380V 7.5KW变频器

发布时间:2019-09-19人气:

正弦EM100变频器-功能特点

一、高可靠性

1.1 按IPD流程管理开发过程,提高了产品的可靠性
EM100变频器是正弦公司第一个严格按照IPD(集成产品开发)流程进行研发管理的系列产品。
EM100开发过程中的一些核心思想包括:
a)重视前期的产品需求收集,按市场需求设计产品,更好地满足客户的需求。
b)研发过程设立明确的阶段,各阶段设立评审点,加强过程的管理和评审点控制,提高产品的质量。
c)加强了单板测试、软件单元测试、系统整机测试工作,将产品问题充分暴露在公司内部。
d)采用公用构建模块(CBB:Common Building Blocks)提高了EM100变频器的开发效率。
e)采用跨部门的产品开发团队,通过有效的沟通、协作,在早期就充分考虑的产品的各方面工作,产品上市进度得以加快。
 
1.2 引入了热设计和热仿真工作
散热问题暴露在数字化样机阶段;
令产品内部热源分布均匀、合理;
大幅度提升了EM100产品的稳定性,并且提高了产品开发效率。
 
1.3 具备极强的环境适应性
EM100产品在硬件方面拥有完善的保护措施;
内部线路板均采用PCBA三防漆喷涂保护,驱动板一体化无跳线设计;
外部器件采用密封型加工工艺。
 

二、良好的性能

优化的控制算法
EM100变频器能租到 0.3秒50Hz正反转切换不过流、不过压;
1Hz启动转矩能达到150%;
优化的死区补偿、母线电压前馈技术,电流畸变小,电机噪音小。
 

三易于使用

操作优化
常用菜单参数优先排列,优化了出厂参数,提高了易用性;
减少了用户的参数配置工作,降低了对操作者的要求;
人机交互操作键盘的设计选材上充分考虑其耐用性,持久性;
键盘操作区域标识清晰,模拟电位器输入,参数调节便捷灵敏;
密封型电位器,使用寿命长;
密封式簧片按键,操作精准,手感好。
 

正弦EM100变频器-型号及功率

额定输入电压 型号 适用电机功率(kW) 额定输出电流(A)
单相交流 220V EM100-0R4-1B 0.4 2.8
EM100-0R7-1B 0.75 4.8
EM100-1R5-1B 1.5 8.0
EM100-2R2-1B 2.2 10
EM100-4R0-1B 4.0 17
三相交流 220V EM100-0R4-2B 0.4 2.8
EM100-0R7-2B 0.75 4.8
EM100-1R5-2B 1.5 8.0
EM100-2R2-2B 2.2 10
EM100-4R0-2B 4.0 17
EM100-5R5-2B 5.5 25
EM100-7R5-2B 7.5 32
三相交流 380V EM100-0R7-3B 0.75 2.8
EM100-1R5-3B 1.5 4.8
EM100-2R2-3B 2.2 6.2
EM100-4R0-3B 4.0 9.2
EM100-5R5-3B 5.5 13
EM100-7R5-3B 7.5 17
EM100-011-3B 11 25
EM100-015-3B 15 32


正弦EM100变频器-技术参数

项目 项目描述
输入 EM100-XXX-1B:单相220V(±20%)50~60Hz(±5%)
EM100-XXX-2B:三相220V(±20%)50~60Hz(±5%)EM100-XXX-3B:三相380V(±20%)50~60Hz(±5%)
输出 最大输出电压 最大输出电压与输入电源电压相同
满载输出电流 100%额定电流连续输出
过载特性 150%额定电流1分钟,180%额定电流10秒,200%额定电流2秒
基本控制功能 驱动方式 V/F、无PG矢量控制
速度给定方式 模拟量、通讯、多段速预置、键盘
运行方式 键盘、控制端子(二线控制、三线控制)、RS485
频率控制范围 0.00~320.00Hz
给定频率分辨率 数字方式:0.01Hz模拟方式:0.10Hz
调速范围 1:50
速度控制精度 1%
加、减速时间 0.01秒~600.00秒
电压/频率特性 额定输出电压5%~100%可调,基频20.00~320.00Hz可调
  转矩提升 自动转矩提升、固定转矩提升曲线、任意V/F曲线可选
启动力矩 150%/1Hz
输出电压自调整 AVR功能有效时,输入电压变化,输出电压保持不变;精度:额定
输入电压时±10V
电流自动限幅 自动限定输出电流,避免频繁过流跳闸
直流制动 制动时间:0~30秒;制动电流:150%额定电流
信号输入源 数字、模拟电压、模拟电流、多段速、简易PLC、MODBUS通讯,摆
频,PID。主频率给定和辅助频率组合给定及端子切换
输入输出功能 辅助电源 10V/10mA,24V/200mA
数字输入端子 内部阻抗:27KΩ
可接受0~20V外部电源输入,低电平有效
最大输入频率:1kHz
总共6路数字可编程输入端子,用户可以通过功能码设定端子功能
模拟输入端子 1路电压源,0~10V输入;1路可配置为电流源,4~20mA输入,或
配置为电压源,0~10V输入
输入阻抗:电压源输入:1MΩ;电流源输入:250Ω
分辨率:0.2%
数字输出端子 1路可编程开路集电极输出,最大负载能力:50mA/24V;输出频率
范围:0~1kHz
1路可编程继电器输出,EA常开,EB常闭,EC公共端;触点容量:
3A/AC250V,功率因数>0.4或1A/DC30V
模拟输出端子 1路可编程模拟输出端子,可输出0~10V,最大负载能力2mA
分辨率:0.1V
显示 LED显示 5位LED数码管显示变频器的相关信息,8个按键输入
保护 保护功能 过流、过压、输入输出缺相、输出短路、过温保护等
使用条件 安装场所 室内,海拔低于1000m,无尘、无腐蚀性气体和无日光直射
适用环境 -10°C~+40°C,20%~90%RH(无凝露)
振动 小于0.5g
储存环境 -20°C~+65°C
安装方式 壁挂式、透壁式
防护等级 IP20
冷却方式 强迫风冷
运行噪声 38-56dB/A
产品执行安规标准 IEC61800-5-1:2007
产品执行EMC标准 IEC61800-3:2004


正弦EM100变频器-规格选型




正弦EM100变频器-尺寸图及尺寸


产品 型号
尺寸 单位 (mm)
EM100-0R4-1B
EM100-0R7-1B

EM100-1R5-1B
EM100-2R2-1B
EM100-0R4-2B
EM100-0R7-2B
EM100-1R5-2B
EM100-0R7-3B
EM100-1R5-3B
EM100-2R2-3B
EM100-4R0-3B

EM100-4R0-1B
EM100-2R2-2B
EM100-4R0-2B
EM100-5R5-3B
EM100-7R5-3B
EM100-5R5-2B
EM100-7R5-2B
EM100-011-3B
EM100-015-3B
W 95 110 130 150
W1 85 100 118 138
W2 11 11 / /
H 152 163 220 289.5
H1 142 153 209 272
H2 159 170 / /
H3 130.5 140.5 / /
H4 110.5 121.5 / /
D 117 132 152.5 173
D1 130 145 165.2 185.7
D2 74 84 104.7 125
d1 4.5 4.5 5.5 5.5
d2 4.5 5 / /
净重 1Kg 1.5Kg 2.9Kg 4.8Kg
外形 箱体 1 箱体 2 箱体 3 箱体 4


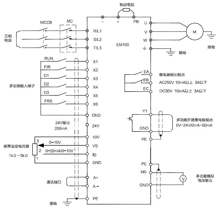
正弦EM100变频器-接线图和接线说明


端子标号 功能说明
R/L1、S/L2、T/L3 交流电源输入端子,接三相 380V 或 220V 交流电源(单相 220V
机型,R/L1 接零线、S/L2 接单相 220V 交流电源(火线),T/L3 端子悬空不接)
U、V、W 变频器交流输出端子,接三相交流电机
+、- 分别为内部直流母线的正负极端子
PB 制动电阻连接端子,制动电阻一端接 +,另一端接 PB
PE 接地端子,接大地

类别 端子标号 端子名称 端子功能说明
模拟输入 +24V 外部供电电源 向外部提供24V电源,最大输出电流200mA
+10V 模拟端子供电电源 向外提供10V电源,最大输出电流:10mA一般用作外接电位器工作电源,电位器阻值范围:1kΩ~5kΩ
VS VS模拟电压输入 0/2~10V,输入阻抗1MΩ,最大输入电压15V
GND 公共端 输入输出信号公共点
IS IS模拟电流/电压输入 可配置为电流型和电压型,通过开关S2切换。输入范围0/4~20mA或者0/2-10V
模拟输出 M0 模拟输出端子M0 0~10V,输出精度为±2%,输出电流最大为2mA,允许阻抗>10k
多功能数字输出 Y1 集电极开路输出端子 可编程定义为多种功能的输出端子。详见F03.00代码介绍
通讯 A+ RS-485通讯接口端子 RS485差分信号正端
A- RS485差分信号负端
数字输入 X1 多功能输入端子 通过功能代码F02.00~F02.05的设定来对相应的端子进行编程,实现设定功能的输入控制
X2
X3
X4
X5
X6
GND 公共端 输入输出信号公共点
SPI通讯 RJ45 外接键盘端子 外接操作面板使用
继电器输出 EA 继电器输出端子 EA-EC:常开EB-EC:常闭
EB
EC
跳线开关 S1 RS485终端匹配电阻选择 设置RS485终端匹配电阻的跳线开关
S1
OFFON
OFF为无终端电阻,ON为有终端电阻,出厂设置为无终端电阻
S2 IS电压/电流输入选择 设置IS为电流型和电压型的跳线开关
S2
OFFON
OFF为电流型,ON为电压型,出厂为电流型
 
在线客服
服务热线

服务热线

13922952859

微信咨询
返回顶部